Dòng Máy Ép Dập DG1
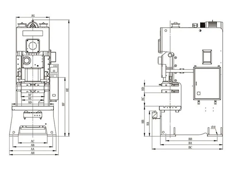
Máy Ép Dập Khung Chữ C Một Điểm
- Lực ép dập 25T đến 315T
- Số lần ép dập/phút 30 SPM đến 200 SPM
- Hành trình 30mm đến 250mm
- Kích thước bàn trượt 300×230mm đến 1000×750mm
Máy ép khung chữ C một điểm DG1 được thiết kế để dập các linh kiện kim loại chính xác cao và ổn định lâu dài. Máy hỗ trợ tạo hình thân xe ô tô, vỏ thiết bị điện tử, linh kiện thiết bị gia dụng với độ chính xác vượt trội và hiệu suất bền vững.
Với lực ép dập từ 25T đến 315T, tốc độ hành trình từ 30 đến 200 SPM, máy ép dập khung chữ C một điểm đáp ứng các nhu cầu sản xuất khắt khe. Khung thép cứng vững, thanh dẫn hướng 6 mặt, và hệ thống truyền động tối ưu mang lại độ ổn định cao trong các thao tác dập, đột, cắt và tạo hình. Sản phẩm được chế tạo theo tiêu chuẩn chính xác JIS Cấp 1 của Nhật Bản, đảm bảo hiệu suất nhất quán và vận hành trơn tru.



















